Oil Pump for 1993 Jeep Grand Cherokee

Vehicle

1993 Jeep Grand Cherokee

Change Vehicle

Categories

Browse Categories
Oil Pump for 1993 Jeep Grand Cherokee #0
No.
Part # / Description / Price
Price
N/A
Filter Adapter
Mopar Mopar
Description: All models.
N/A
Mount Bracket
Mopar Mopar
Description: All models. Left. 4.0L, to frame.
N/A
Mount Bracket
Mopar Mopar
Description: All models. Right. 4.0L, to frame.
N/A
Trans Mount
Mopar Mopar
Description: All models. Manual trans.
N/A
Trans Mount
Mopar Mopar
Description: 5.2l, 5.9l. 5.2 & 5.9L. All models. 4.0L, auto trans.
N/A
Short Block
Mopar Mopar
Notes: Includes: Block With Pistons, Rings, Pins, Rods, Main Bearings, Crankshaft, Camshaft Bearings, Timing Gears And Timing Chain.
Description: All models.
N/A
Overhaul Gasket Set
Mopar Mopar
Description: Upper kit. All models. Jeep. 4.0l.
1
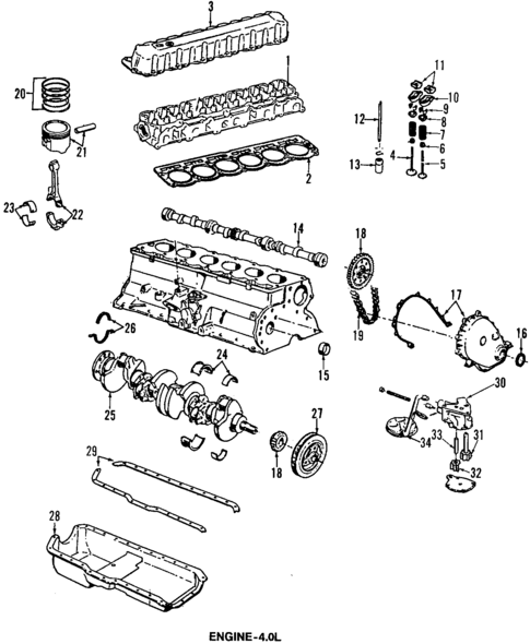
Cylinder Head 1
Mopar Mopar
Description: Jeep. 4.0l. All models.
2
Head Gasket
Mopar Mopar
Description: 4.0l. Jeep. All models.
3
Valve Cover
Mopar Mopar
Description: Jeep. 4.0l. All models.
4
Intake Valve
Mopar Mopar
Description: 4.0l. Jeep. Marked #15. Dakota. All models. Intake.
5
Exhaust Valve
Mopar Mopar
Description: Jeep. Dakota. All models. Exhaust. 4.0l.
6
Valve Seals
Mopar Mopar
Description: ENG EXH VLV STM OIL STD
6
Valve Seals
Mopar Mopar
Description: ENG INT VLV STM OIL STD
MSRP $11.95 CAD
$10.02 CAD
MSRP $11.95 CAD
$10.02 CAD
7
Valve Springs
Mopar Mopar
Description: Dakota. All models. 4.0l. 2.00. Durango. Jeep. 5.2l. Full size vans. Ram 1500. 5.9l.
8
Valve Spring Retainers
Mopar Mopar
Description: Dakota. 4.0l. All. Jeep. Durango. 5.2l. Full size vans. Ram 1500.
9
Valve Keeper
Mopar Mopar
Notes: Parts And Price Is For Half Of One Lock.
Description: Dakota. All models. 4.0l. Jeep. Viper. Durango. 5.2l, 5.9l. Full size vans. Ram 1500.
MSRP $4.50 CAD
$3.12 CAD
MSRP $4.50 CAD
$3.12 CAD
10
Rocker Arms
Mopar Mopar
Description: Jeep. Dakota. All models. Grand Cherokee.
MSRP $80.90 CAD
$56.60 CAD
MSRP $80.90 CAD
$56.60 CAD
11
Rocker Pivot
Mopar Mopar
Description: Dakota. All models. Grand Cherokee.
12
Push Rods
Mopar Mopar
Description: Jeep. 4.0l. All models. Grand Cherokee.
MSRP $21.50 CAD
$15.02 CAD
MSRP $21.50 CAD
$15.02 CAD
13
Valve Lifters
Mopar Mopar
Description: Jeep. Dakota. All models. Grand Cherokee.
MSRP $68.20 CAD
$57.27 CAD
MSRP $68.20 CAD
$57.27 CAD
14
Camshaft
Mopar Mopar
Description: 4.0l. Jeep. All models.
15
Camshaft Bearings
Mopar Mopar
Description: Jeep. Dakota. All models. Grand Cherokee.
16
Front Cover Seal
Mopar Mopar
Description: Jeep. 6 cylinder. Dakota. 4.0L. 2.5L. All models. Grand Cherokee. 4 cylinder.
MSRP $51.70 CAD
$36.19 CAD
MSRP $51.70 CAD
$36.19 CAD
17
Timing Cover Gasket Set
Mopar Mopar
Description: Jeep. 6 cylinder, inline 6 cylinder. 4.0l. 2.5L. Dakota. 4.2l. All models. Grand Cherokee. 4 cylinder.
18
Timing Gear Set
Mopar Mopar
Description: 4.0l. Jeep. Camshaft gear. All models.
18
Timing Gear Set
Mopar Mopar
Description: 4.0l. Jeep. Crankshaft gear. All models.
19
Timing Chain
Mopar Mopar
Description: 4.0l. Jeep. All models.
20
Piston Ring Set
Mopar Mopar
Notes: Includes: Standard Ring Set For Six Pistons.
Description: 4.0l. Jeep. All models.
21
Piston & Pin Assembly
Mopar Mopar
Notes: Includes: Standard Piston And Pin For One Cylinder. Order By Description.
Description: Jeep. 4.0l. All models.
22
Connecting Rod
Mopar Mopar
Description: Jeep. 4.0l. All models.
23
Rod Bearings
Mopar Mopar
Notes: Includes: One Standard Upper And Lower Bearing.
Description: Jeep. Dakota. All models. Grand Cherokee. 4.0l.
24
Bearing
Mopar Mopar
Notes: Includes: One Standard Upper And Lower Bearing.
Description: Jeep. Main bearings. Dakota. No.1-5. Grand Cherokee. 4.0l. All.
24
Bearing
Mopar Mopar
Notes: Includes: One Standard Upper And Lower Bearing.
Description: Jeep. Dakota. No 3. Thrust bearing. Standard. All models. Grand Cherokee. 4.0l.
25
Crankshaft
Mopar Mopar
Notes: Includes Main Bearing Set.
Description: Jeep. All models.
26
Rear Main Seal
Mopar Mopar
Description: 4.0l. Jeep. 4.2l. All models. Grand Cherokee.
27
Vibration Damper
Mopar Mopar
Description: 6 cylinder, inline 6 cylinder. Jeep. With pulley. All models. 6 cylinder, 4.0L. Incl.Engine Harmonic Balancer. Grand Cherokee.
28
Oil Pump
Mopar Mopar
Description: Jeep. Dakota. 2.5L. 4.0L. All models. Grand Cherokee.
29
Oil Pan Gasket
Mopar Mopar
Description: Jeep. With 1 piece gasket. 4.0L. All models. 6 cylinder, inline 6 cylinder. 6 cylinder, 4.0 & 4.2L. Grand Cherokee.
30
Oil Pump
Mopar Mopar
Description: 4.0l. Jeep. All models.
31
Engine Oil Pump Rotor
Mopar Mopar
Description: Drive. All models. Grand Cherokee.
32
Engine Oil Pump Rotor
Mopar Mopar
Description: Driven. All models. Grand Cherokee.
33
Driven Shaft
Mopar Mopar
Description: All models. Grand Cherokee.
34
Oil Pick-Up
Mopar Mopar
Description: Jeep. 4.0l. All models. Grand Cherokee.
1 This price excludes a refundable manufacturer's core charge. Add the part to your cart to see the core charge.